適用於工業廢水處理廠的前期處理流程,可分離砂粒和有機物,並去除沉砂。 沉砂池係以圓形池體之方式設計,污水經過一段長而直的進水渠穩流後沿切線方向進入沉砂池中,水流進入沉砂池後形成渦流,池內由機械攪拌產生離心力,使砂粒與廢水固液分離,砂礫利用重力沉降之原理沉降於池底後抽出。
 

作動方式

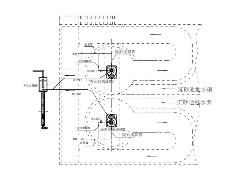
渦流沉砂池之除砂機由驅動系統、攪拌旋槳葉、吸砂系統、電控系統等組成。吸砂系統可以採用空氣提升或泵吸等方式。 在沉砂池中央,立式攪拌機控制水流的流速,對夾帶大量黏附有機物的砂粒進行多次翻滾清洗,促使其表面的有機物徹底分離。砂的自重力和渦流作用使砂向中心砂斗下沉,剝離的有機物隨軸向水流向上溢走。下部砂斗積聚濃度較高的砂層經過空氣提升或砂泵提升,進入池外螺旋砂水分離器內,砂粒分離外排,污水回流至集水渠。
 

主要特點

採用特殊的螺旋槳葉設計,污水進入渦流沉砂池後,砂粒非直接靠重力下沉到除砂斗內,而是經過螺旋槳葉的多次翻起後才被渦流送到池中央,使得有機物與砂粒得到充分的分離作用。

  • 砂水分離效果好,分離出的砂粒含水率低,有機物含量少
  • 砂斗下部配置輔助沖洗管,防止沉砂堵塞
  • 具有結構緊湊、占地面積小等優點
 
VGR渦流沉砂除砂機

VGR 渦流沉砂池池形尺寸圖-1

VGR渦流沉砂除砂機

VGR 渦流沉砂池池形尺寸圖-2

VGR渦流沉砂除砂機

VGR 渦流沉砂池氣提式除砂系統

VGR渦流沉砂除砂機

VGR 渦流沉砂池泵吸式除砂系統

VGR渦流沉砂除砂機

渦流沉砂池管道配置圖