整體規劃設計污水處理設備
鴻富一直以來專注在產品本身的精進及公司業務的成長,自公司成立以來所承接之修繕案、汰舊更新案以及新建案遍佈台灣北中南部各地,各污水處理廠之操作單位對鴻富刮泥機設備之品質及售後服務有口皆碑。

VGR渦流沉砂除砂機

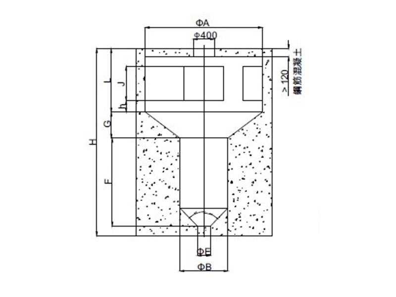
適用於工業廢水處理廠的前期處理流程,可分離砂粒和有機物,並去除沉砂。 沉砂池係以圓形池體之方式設計,污水經過一段長而直的進水渠穩流後沿切線方向進入沉砂池中,水流進入沉砂池後形成渦流,池內由機械攪拌產生離心力,使砂粒與廢水固液分離,砂礫利用重力沉降之原理沉降於池底後抽出。
 

作動方式

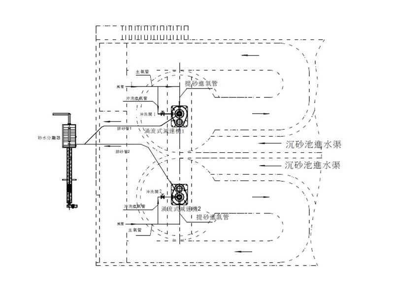
渦流沉砂池之除砂機由驅動系統、攪拌旋槳葉、吸砂系統、電控系統等組成。吸砂系統可以採用空氣提升或泵吸等方式。 在沉砂池中央,立式攪拌機控制水流的流速,對夾帶大量黏附有機物的砂粒進行多次翻滾清洗,促使其表面的有機物徹底分離。砂的自重力和渦流作用使砂向中心砂斗下沉,剝離的有機物隨軸向水流向上溢走。下部砂斗積聚濃度較高的砂層經過空氣提升或砂泵提升,進入池外螺旋砂水分離器內,砂粒分離外排,污水回流至集水渠。
 

主要特點

採用特殊的螺旋槳葉設計,污水進入渦流沉砂池後,砂粒非直接靠重力下沉到除砂斗內,而是經過螺旋槳葉的多次翻起後才被渦流送到池中央,使得有機物與砂粒得到充分的分離作用。

  • 砂水分離效果好,分離出的砂粒含水率低,有機物含量少
  • 砂斗下部配置輔助沖洗管,防止沉砂堵塞
  • 具有結構緊湊、占地面積小等優點
 

VGR 渦流沉砂池池形尺寸圖-1

VGR 渦流沉砂池池形尺寸圖-2

VGR 渦流沉砂池氣提式除砂系統

VGR 渦流沉砂池泵吸式除砂系統

渦流沉砂池管道配置圖